亚洲成色A片77777在线小说 DGWX蝸輪(D381X)溝槽式蝶閥-南京騰州閥門有限公司
·
 
·
 
·
·
     防(fang)爆氣動(dong)快速切(qie)斷閥
     盲(mang)闆閥(眼(yan)睛閥)
     蝶(die)閥系列(lie)
     截止閥(fa)系列
     球(qiu)閥系列(lie)
     閘閥系(xi)列
     止回(hui)閥系列(lie)
     過濾器(qi)系列
     調(diao)節閥系(xi)列
     安全(quan)閥系列(lie)
     水力控(kong)制閥系(xi)列
     減壓(ya)閥系列(lie)
     電動二(er)通閥系(xi)列
     柱塞(sai)閥系列(lie)
     電子除(chu)垢儀
     執(zhi)行機構(gou)
     其它閥(fa)系列
南(nan)京騰州(zhou)🙆🏿亚洲成色A片77777在线小说😗閥門有(you)限公司(si)
陳建州(zhou) 經理 工(gong)程師
地(di)址:南京(jing)市秦淮(huai)區升州(zhou)路385号 
郵(you)編:210036 
 郵箱(xiang):
電話:025—
手(shou)機: 
 
産品(pin)展示
當(dang)前位置(zhi):首頁 ->蝶(die)閥系列(lie)
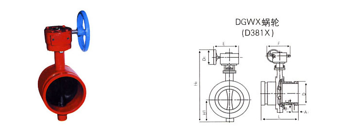
DGWX蝸輪(D381X)溝(gou)槽式蝶(die)閥
發表(biao)時間:2011-5-25  文(wen)字 〖 中(zhong) 〗  閱讀(du)次數:4308   [關(guan)閉窗口(kou)]

一、結構(gou)特點用(yong)途:
  溝槽(cao)式(卡箍(gu))連接閥(fa)門是引(yin)進美國(guo)與德國(guo)同類先(xian)進産品(pin)而㊙️設計(ji)制造的(de)一系列(lie)新型連(lian)接閥門(men)。它具有(you)安裝快(kuai)速、簡易(yi)、安全、可(ke)靠、不受(shou)安裝場(chang)地限制(zhi)、便于管(guan)道與閥(fa)門ˇ的維(wei)修保養(yang),有👌隔振(zhen)隔音與(yu)一定的(de)角度範(fan)圍内有(you)克服管(guan)道連接(jie)不同軸(zhou)而産生(sheng)仿差🙉,解(jie)決溫差(cha)所産生(sheng)熱脹冷(leng)縮等優(you)點。
  廣泛(fan)應用于(yu)輸送流(liu)體管道(dao)的給排(pai)水,消防(fang)、空調、燃(ran)氣、石油(you)、化ˇ工、水(shui)處理、市(shi)政、造船(chuan)等管道(dao)工程作(zuo)爲控制(zhi)流~體作(zuo)🙂‍↕️用。

二、主(zhu)要技術(shu)參數:

公(gong)稱壓力(li)

1.O

1.6

2.5

試驗壓(ya)力

殼體(ti)強度

1.5

2.4

3.75

密(mi)封性能(neng)

1.1

1.76

2.75

适用介(jie)質

産品(pin)類型

鑄(zhu)鐵、球墨(mo)鑄鐵

銅(tong)

碳鋼

不(bu)鏽鋼

适(shi)用介質(zhi)

水、水蒸(zheng)汽、油品(pin)、空氣

水(shui)、水蒸汽(qi)

水、水蒸(zheng)汽、油品(pin)、空氣

硝(xiao)酸類

工(gong)作溫度(du)

密封面(mian)材質

橡(xiang)膠

乙腈(jing)橡膠

乙(yi)丙橡膠(jiao)

氟橡膠(jiao)

聚四氟(fu)塑料

銅(tong)

不鏽鋼(gang)

工作溫(wen)度

≤60

≤80

≤250

≤250

≤200

≤200

≤200


  三、主(zhu)要零件(jian)材料:

産(chan)品類型(xing)

材質

閥(fa)體

閥闆(pan)

閥軸

密(mi)封面

鑄(zhu)鐵

HT200

球鐵(tie)、碳鋼、噴(pen)塗或不(bu)鏽鋼

鉻(ge)不鏽鋼(gang)

不鏽鋼(gang)或銅

橡(xiang)膠NBR、丁晴(qing)橡膠NBR、乙(yi)丙EPOM、氟橡(xiang)膠PTFE、聚四(si)氟塑料(liao)F46

球墨鑄(zhu)鐵

QT450

球鐵(tie)、碳鋼、噴(pen)塗或不(bu)鏽鋼

鉻(ge)不鏽鋼(gang)

不鏽鋼(gang)或銅

銅(tong)

銅或(huo)不鏽鋼(gang)

鉻不鏽(xiu)鋼

碳(tan)鋼

WCB

球鐵(tie)、碳鋼、噴(pen)塗或不(bu)鏽鋼

鉻(ge)不鏽鋼(gang)

不鏽鋼(gang)或銅

不(bu)鏽鋼

1Crl8Ni9T1(304)

不(bu)鏽鋼

不(bu)鏽鋼

不(bu)鏽鋼


  四(si)、主要外(wai)形及連(lian)接尺寸(cun):

公稱通(tong)徑

50

65

80

100

125

150

200

250

300

350

400

450

500

600

-

D

57

60

76

89

108

114

133 140

159 165 168

219

273

325

377

426

480

530

630

SJKD3型

A1

14.5

14.5

14.5

16

16

16

19

19

19

25

25

25

25

25

-

B1

9.5

9.5

9.5

9.5

9.5

9.5

13

13

13

13

13

13

13

13

-

C

2.2

2.2

2.2

2.2

2.2

2.2

2.5

2.5

3.3

3.3

5.5

5.5

55

55

-

D381X

D81X

L

88

90

96

115

-

132

147

159

165

165

170

180

190

210

-

H1

60

75

80

94

-

125

150

220

250

265

300

330

350

410

-

Ho

220

245

270

300

-

350

400

600

740

765

875

940

995

1130

-

E

245

245

245

245

-

245

260

260

330

330

425

425

425

425

-

F

65

65

65

65

-

65

90

125

180

190

5210

210

210

210

-

Do

120

120

120

120

-

140

140

140

240

280

320

320

350

350

SJKD3型(xing)


文章分(fen)頁: 1 
版權(quan)所有:南(nan)京騰州(zhou)閥門有(you)限公司(si)    産品技(ji)術支持(chi):精嘉閥(fa)門集團(tuan)有限公(gong)司          網站(zhan)技術支(zhi)持:yukamito.cc 京ICP證(zheng)000000号
 
· 
··
·
·
·
·
·
 
·