欧美日韩不卡合集视频 Y型過濾器、Y型伸縮過濾器-南京騰州閥門有限公司
·
·
  ·
·
     防爆氣動(dong)快速切斷(duan)閥
     盲闆閥(fa)(眼睛閥)
     蝶(die)閥系列
     截(jie)止閥系列(lie)
     球閥系列(lie)
     閘閥系列(lie)
     止回閥系(xi)列
     過濾器(qi)系列
     調節(jie)閥系列
     安(an)全閥系列(lie)
     水力控制(zhi)閥系列
     減(jian)壓閥系列(lie)
     電動二通(tong)閥系列
     柱(zhu)塞閥系列(lie)
     電子除垢(gou)儀
     執行機(ji)構
     其它閥(fa)系列
南京(jing)騰👨‍🦰欧美日韩不卡合集视频👧🏾州閥門(men)有限公司(si)
陳建州 經(jing)理 工程師(shi)
地址:南京(jing)市秦淮區(qu)升州路385号(hao) 
郵編:210036 
 郵箱(xiang):
電話:025—
手機(ji): 
 
産品展示(shi)
當前位置(zhi):首頁 ->過濾(lü)器系列
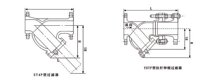
Y型(xing)過濾器、Y型(xing)伸縮過濾(lü)器
發表時(shi)間:2011-5-26  文字 〖 大(da) 〗  閱讀(du)次數:5175   [關閉(bi)窗口]

 

一、産(chan)品概述
  Y型(xing)過濾器,是(shi)使用水力(li)控制閥及(ji)精密的易(yi)堵塞的機(ji)械産品所(suo)必須具備(bei)的過濾設(she)備。通常安(an)裝于水力(li)控制閥等(deng)設備的🧑🏾‍🎄進(jin)口端,防止(zhi)顆粒性雜(za)質進入通(tong)道,造成堵(du)塞👺,使閥門(men)或其他設(she)備失靈而(er)不能正常(chang)使用。Y型過(guo)濾器結構(gou)簡單,流阻(zu)小,可在👿線(xian)排除污物(wu)而不需拆(chai)除。Y型拉杆(gan)伸縮過濾(lü)器還具有(you)安裝長🧑🏻‍❤️‍🧑🏼度(du)可調,裝拆(chai)方便的特(te)點。可根🔞據(ju)需要設置(zhi)濾網目數(shu),通常範圍(wei):水18~30目、蒸氣(qi)40~100目、油100~480目。


二(er)、主要技術(shu)參數 三、主(zhu)要零部件(jian)材料

型号(hao)

公稱壓力(li)PN(MPa)

殼體試驗(yan)壓力(MPa)

工作(zuo)壓力(MPa)

SY4P

1O

15

1O

YSTF

16

24

16

零件(jian)名稱

管體(ti)

濾網

伸縮(suo)拉杆

O形圈(quan)

材料

灰鑄(zhu)鐵或球墨(mo)鑄鐵鑄鋼(gang)

不鏽鋼

碳(tan)鋼鍍鋅

丁(ding)腈橡膠


   四(si)、主要外形(xing)連接尺寸(cun):   單位:mm

SY4P-10型、SY4P-16型(xing)、SY4P-25型

DN

65

80

100

125

150

200

250

300

350

400

450

500

L

螺紋

法(fa)蘭

25O

280

350

400

440

500

580

670

780

850

850

1OO

H

螺紋

法(fa)蘭

198

21O

250

305

358

450

503

578

598

618

693

765

H1

螺紋

法(fa)蘭

270

295

344

422

485

602

710

815

844

872

978

1080



YSTF-10型、YSTF-16型

DN

50

65

80

100

125

150

200

250

300

350

400

L

300

320

380

430

500

550

650

775

900

1025

1150

H

155

183

210

250

305

358

450

503

578

598

618

H1

195

245

295

344

415

485

602

710

815

844

872


文(wen)章分頁: 1 
版權(quan)所有:南京(jing)騰州閥門(men)有限公司(si)    産品技術(shu)支持:精🧛🏾‍♀️嘉(jia)閥門集團(tuan)有限公司(si)          網站技術(shu)支持:yukamito.cc 京ICP證(zheng)000000号
 
·
 
·
·
·