|
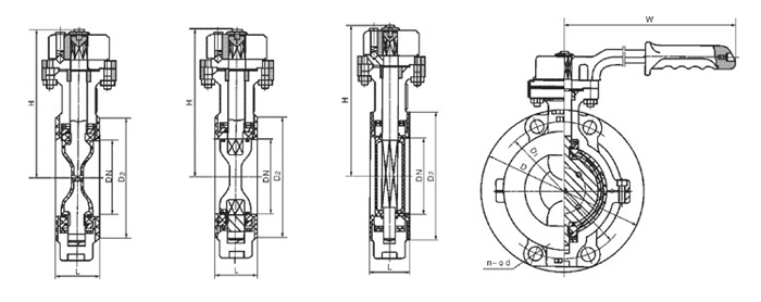
國标(biao)氟襯(chen)裏蝶(die)閥(對(dui)夾)
|
|
發(fa)表時(shi)間:2011-5-25 文(wen)字 〖 大(da)
中
小(xiao)
〗 閱讀(du)次數(shu):5206 [關閉(bi)窗口(kou)]
|
|
|
|
|
DN
(mm)
|
NPS
(inch)
|
L
|
D
|
D1
|
D2
|
F
|
B
|
N-ØD
|
W
|
D0
|
H
|
WT(kg)
|
|
PN0.6MPa
|
|
40
|
1 1/2
|
33
|
130
|
100
|
80
|
3
|
16
|
4-Ø14
|
160
|
|
140
|
2.5
|
|
50
|
2
|
43
|
140
|
110
|
90
|
3
|
16
|
4-Ø14
|
200
|
|
145
|
3.5
|
|
65
|
2 1/2
|
46
|
160
|
130
|
110
|
3
|
16
|
4-Ø14
|
250
|
|
155
|
4.5
|
|
80
|
3
|
46
|
182
|
150
|
125
|
3
|
18
|
4-Ø18
|
250
|
|
165
|
6
|
|
100
|
4
|
52
|
205
|
170
|
145
|
3
|
18
|
4-Ø18
|
250
|
|
180
|
7.5
|
|
125
|
5
|
56
|
235
|
200
|
175
|
3
|
20
|
8-Ø18
|
300
|
|
203
|
11
|
|
150
|
6
|
56
|
260
|
225
|
200
|
3
|
20
|
8-Ø18
|
300
|
|
225
|
16
|
|
200
|
8
|
60
|
315
|
280
|
255
|
3
|
22
|
8-Ø18
|
|
200
|
275
|
48
|
|
250
|
10
|
68
|
370
|
335
|
310
|
3
|
24
|
12-Ø18
|
|
200
|
315
|
60
|
|
300
|
12
|
78
|
435
|
395
|
362
|
4
|
24
|
12-Ø23
|
|
240
|
348
|
75
|
|
350
|
14
|
78
|
485
|
445
|
412
|
4
|
26
|
12-Ø23
|
|
240
|
415
|
82
|
|
400
|
16
|
102
|
535
|
495
|
462
|
4
|
28
|
16-Ø23
|
|
280
|
460
|
123
|
|
450
|
18
|
114
|
590
|
550
|
518
|
4
|
28
|
16-Ø23
|
|
280
|
500
|
150
|
|
500
|
20
|
127
|
640
|
600
|
568
|
4
|
30
|
16-Ø23
|
|
320
|
530
|
180
|
|
600
|
24
|
154
|
755
|
705
|
670
|
5
|
30
|
20-Ø25
|
|
320
|
610
|
225
|
|
700
|
28
|
165
|
860
|
810
|
775
|
5
|
32
|
24-Ø25
|
|
360
|
675
|
315
|
|
800
|
32
|
190
|
975
|
920
|
880
|
5
|
34
|
24-Ø30
|
|
360
|
805
|
385
|
|
900
|
36
|
203
|
1075
|
1020
|
980
|
5
|
36
|
24-Ø30
|
|
380
|
995
|
420
|
|
1000
|
40
|
216
|
1175
|
1120
|
1080
|
5
|
36
|
28-Ø30
|
|
400
|
1170
|
620
|
|
1200
|
48
|
254
|
1400
|
1340
|
1295
|
5
|
40
|
32-Ø34
|
|
400
|
1295
|
788
|
|
DN
(mm)
|
NPS
(inch)
|
L
|
D
|
D1
|
D2
|
F
|
B
|
N-ØD
|
W
|
D0
|
H
|
WT(kg)
|
|
PN1.0MPa
|
|
40
|
1 1/2
|
33
|
145
|
110
|
85
|
3
|
18
|
4-Ø18
|
160
|
|
140
|
3
|
|
50
|
2
|
43
|
160
|
125
|
100
|
3
|
20
|
4-Ø18
|
200
|
|
145
|
4
|
|
65
|
2 1/2
|
46
|
180
|
145
|
120
|
3
|
20
|
4-Ø18
|
250
|
|
155
|
6
|
|
80
|
3
|
46
|
195
|
160
|
135
|
3
|
22
|
4-Ø18
|
250
|
|
165
|
8
|
|
100
|
4
|
52
|
215
|
180
|
155
|
3
|
22
|
8-Ø18
|
300
|
|
180
|
12
|
|
125
|
5
|
56
|
245
|
210
|
185
|
3
|
24
|
8-Ø18
|
300
|
|
203
|
18
|
|
150
|
6
|
56
|
280
|
240
|
210
|
3
|
24
|
8-Ø23
|
|
200
|
225
|
28
|
|
200
|
8
|
60
|
335
|
295
|
266
|
3
|
26
|
8-Ø23
|
|
200
|
275
|
56
|
|
250
|
10
|
68
|
|
350
|
320
|
3
|
28
|
12-Ø23
|
|
240
|
315
|
72
|
|
300
|
12
|
78
|
440
|
400
|
368
|
4
|
28
|
12-Ø23
|
|
240
|
348
|
88
|
|
350
|
14
|
78
|
500
|
460
|
428
|
4
|
30
|
16-Ø23
|
|
240
|
415
|
170
|
|
400
|
16
|
102
|
565
|
515
|
482
|
4
|
32
|
16-Ø25
|
|
280
|
460
|
145
|
|
450
|
18
|
114
|
615
|
565
|
532
|
4
|
32
|
20-Ø25
|
|
280
|
500
|
165
|
|
500
|
20
|
127
|
670
|
620
|
585
|
4
|
34
|
20-Ø25
|
|
320
|
530
|
195
|
|
600
|
24
|
154
|
780
|
725
|
685
|
5
|
36
|
20-Ø30
|
|
320
|
610
|
268
|
|
700
|
28
|
165
|
895
|
840
|
800
|
5
|
40
|
24-Ø30
|
|
360
|
675
|
320
|
|
800
|
32
|
190
|
1010
|
950
|
905
|
5
|
44
|
24-Ø34
|
|
360
|
805
|
395
|
|
900
|
36
|
203
|
1110
|
1050
|
1005
|
5
|
46
|
28-Ø34
|
|
380
|
995
|
450
|
|
1000
|
40
|
216
|
1220
|
1160
|
1115
|
5
|
50
|
28-Ø34
|
|
400
|
1170
|
680
|
|
1200
|
48
|
254
|
1450
|
1380
|
1325
|
5
|
56
|
32-Ø41
|
|
400
|
1295
|
825
|
|
PN1.6MPa
|
|
40
|
1 1/2
|
33
|
145
|
110
|
85
|
3
|
18
|
4-Ø18
|
200
|
|
145
|
4
|
|
50
|
2
|
43
|
160
|
125
|
100
|
3
|
20
|
4-Ø18
|
200
|
|
150
|
5
|
|
65
|
2 1/2
|
46
|
180
|
145
|
120
|
3
|
20
|
4-Ø18
|
250
|
|
160
|
7
|
|
80
|
3
|
46
|
195
|
160
|
135
|
3
|
22
|
8-Ø18
|
250
|
|
170
|
10
|
|
100
|
4
|
52
|
215
|
180
|
155
|
3
|
24
|
8-Ø18
|
300
|
|
185
|
14
|
|
125
|
5
|
56
|
245
|
210
|
185
|
3
|
26
|
8-Ø18
|
300
|
|
210
|
22
|
|
150
|
6
|
56
|
280
|
240
|
210
|
3
|
28
|
8-Ø23
|
|
200
|
230
|
32
|
|
200
|
8
|
60
|
335
|
295
|
265
|
3
|
30
|
12-Ø23
|
|
240
|
285
|
66
|
|
250
|
10
|
68
|
405
|
355
|
320
|
3
|
32
|
12-Ø25
|
|
240
|
325
|
80
|
|
300
|
12
|
78
|
460
|
410
|
375
|
4
|
34
|
12-Ø25
|
|
280
|
360
|
94
|
|
350
|
14
|
78
|
520
|
470
|
435
|
4
|
38
|
16-Ø25
|
|
280
|
430
|
125
|
|
400
|
16
|
102
|
580
|
525
|
485
|
4
|
40
|
16-Ø30
|
|
320
|
475
|
150
|
|
450
|
18
|
114
|
640
|
585
|
545
|
4
|
44
|
20-Ø30
|
|
320
|
525
|
172
|
|
500
|
20
|
127
|
705
|
650
|
608
|
4
|
46
|
20-Ø34
|
|
320
|
565
|
225
|
|
600
|
24
|
154
|
840
|
770
|
718
|
5
|
54
|
24-Ø41
|
|
360
|
620
|
290
|
|
700
|
28
|
165
|
910
|
840
|
788
|
5
|
54
|
24-Ø41
|
|
360
|
686
|
330
|
|
800
|
32
|
190
|
1020
|
950
|
898
|
5
|
54
|
24-Ø41
|
|
380
|
815
|
425
|
|
900
|
36
|
203
|
1120
|
1050
|
998
|
5
|
54
|
28-Ø41
|
|
400
|
1010
|
495
|
|
1000
|
40
|
216
|
1255
|
1170
|
1110
|
5
|
60
|
28-Ø48
|
|
400
|
1185
|
710
|
文章(zhang)分頁(ye):
1
|
|
|
|
|